- Главная
-
Каталог
-
Росма
-
Гильзы для термометров
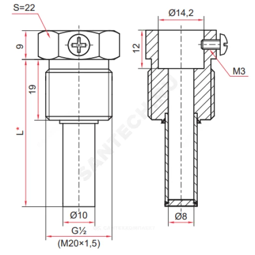
- Гильза для термометра xx.220 L=100 mm, d=14, G1/2 из нержавеющей стали.
Гильза для термометра xx.220 L=100 mm, d=14, G1/2 из нержавеющей стали.
Гильза для термометра xx.220 L=100 mm, d=14, G1/2 из нержавеющей стали.
Способы оплаты:
Visa
MasterCard
Наличными при получении
Безналичная оплата
Характеристики
- Новинка:
Нет
- Акции:
Нет
- Вид изделия:
Гильзы для термометров
- Производитель:
ЗАО Росма
- Артикул:
00000024856
- Спецпредложение:
Нет
- Габаритные размеры:
L=100 мм
- Материал:
Нержавеющая сталь 08Х18Н10
- Давление рабочей среды:
25 МПа
- Резьба присоединения (размеры):
G1/2
- Вид присоединения:
Для термометров БТ серии 220
- Внешний диаметр:
D=10мм
описание
Гильзы из нержавеющей стали повышают устойчивость термометров к воздействию агрессивных измеряемых сред, высоких температур и давлений. Изделие изготовлино по инновационным технологиям из высококачественных материалов.
Гильза для термометра xx.220 L=100 mm, d=14, G1/2 из нержавеющей стали.:
заказ осуществляется по предоплате