КТР-121.220.01.10 Блок автоматического управления котельной

КТР-121.220.01.10 Блок автоматического управления котельной

Розничная цена 24400.8 руб
Способы оплаты:
Visa MasterCard Наличными при получении Безналичная оплата

Характеристики

  • Новинка: Нет
  • Акции: Нет
  • Вид изделия: Блок управления котельной
  • Производитель: Овен
  • Артикул: 70343
  • Спецпредложение: Нет
  • Интерфейс: 2 - RS-485
  • Напряжение питания: 220 V АС

описание

Общие
Автоматическая смена ведущего котла по времени наработки.
Исключение эффекта тактования котла.
Защита от конденсата.
Контроль разрежения в топке котла.
Прогрев котла при первоначальном пуске.
Контроль протока теплоносителя через котел.
Управление подпиткой системы.
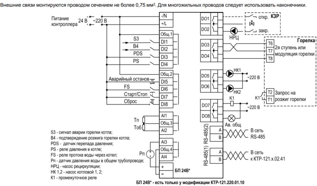
Управление газовыми и жидкотопливными горелками с использованием стандартных контактов Т1-Т2, Т6-Т7-Т8 (pin-to-pin).
Совместим с горелками мировых производителей: Weishaupt, CIB Unigas, Lamborghini, Rielo, Oilon, Baltur, EcoFlam, SAACKE и пр.
Ведение журнала аварий с меткой времени.
Диагностика работы всех узлов системы.
Работоспособность котельной при выходе из строя датчика температуры прямой воды.
Удаленное управление котельной.
Поддержка датчиков РТ100, РТ1000, 100М и NTC10k.
Котловые регуляторы КТР-121.01
Регулирование температуры теплоносителя на выходе котла.
Защита от тактования котла.
Совместимость с одно-, двух-, трехступенчатыми или модулируемыми горелками.
Контроль давления теплоносителя.
Защита водогрейного котла от конденсата.
Удаленное управление котлом.
Контроль аварий горелки.