ТРМ1033-220.01.00

ТРМ1033-220.01.00

В наличии 1 шт.
Розничная цена 20070 руб
Способы оплаты:
Visa MasterCard Наличными при получении Безналичная оплата

Характеристики

  • Новинка: Нет
  • Акции: Нет
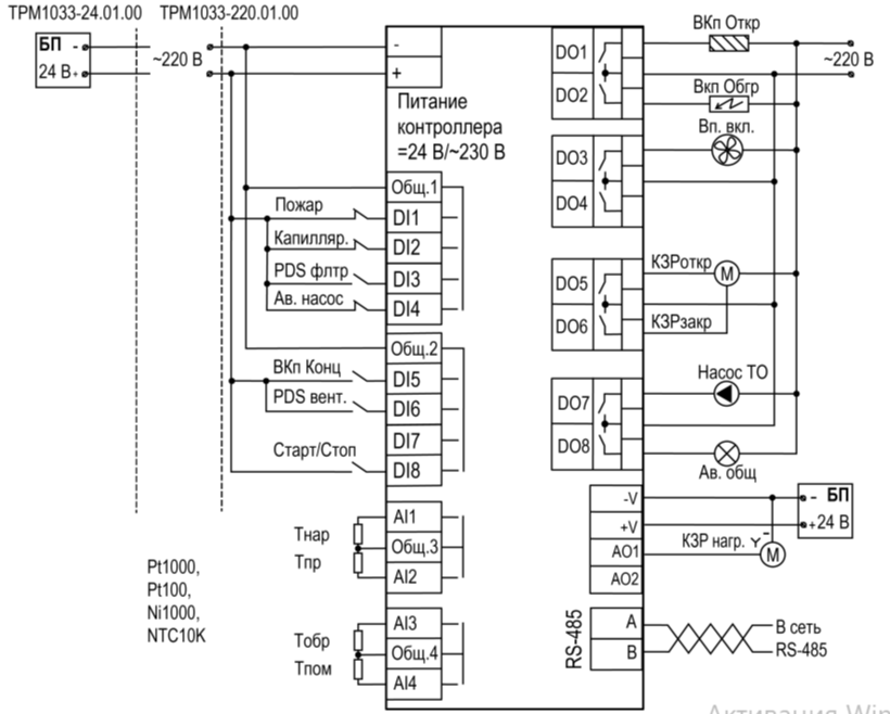
  • Вид изделия: Контроллер систем отопления и ГВС
  • Производитель: Овен
  • Артикул: 70502
  • Спецпредложение: Нет
  • Габаритные размеры: 123х90х58 мм
  • Потребляемая мощность не более, Вт: Не более 17 ВА
  • Модификация: 01.00 - Водяной нагрев
  • Интерфейс: RS-485
  • Напряжение питания: 94…264(номинальное 120…230 В при частоте 47…63 Гц)

описание

Модификация 01.00 - Водяной нагрев
ТРМ1033 – это специализированный контроллер с готовыми алгоритмами для автоматизации приточной и приточно-вытяжной вентиляции. Контроллер позволяет управлять стандартными узлами вентиляции для достижения максимально комфортной температуры приточного воздуха для помещений.
Для большинства модификаций не требуется использование модуля расширения ПРМ.
Модификации с резервным вентилятором ТРМ1033-хх.01.01 и ТРМ1033-хх.02.01 функционируют только при наличии ПРМ.
Для модификаций с рекуператором ТРМ1033-хх.31.00 и ТРМ1033-хх.32.00 приобретение ПРМ необходимо, если требуются следующие функции:

Контроль Открытия/Закрытия воздушных заслонок.
Контроль аварии рекуператора (сигнал с автомата защиты).
Управление ТЭН предварительного нагрева воздуха.
Управление ТЭН обогрева приточного воздушного клапана.
Сигнал общей аварии (лампочка).
Внимание!
Типы питания ТРМ1033 и ПРМ должны совпадать (пример: ТРМ1033-220.31.00 совместим только с ПРМ-220.1).