ТРМ1033-220.02.00

ТРМ1033-220.02.00

Розничная цена 20070 руб
Способы оплаты:
Visa MasterCard Наличными при получении Безналичная оплата

Характеристики

  • Новинка: Нет
  • Акции: Нет
  • Вид изделия: Контроллер систем отопления и ГВС
  • Производитель: Овен
  • Артикул: 70503
  • Спецпредложение: Нет
  • Габаритные размеры: 123х90х58 мм
  • Потребляемая мощность не более, Вт: Не более 17 ВА
  • Модификация: 02.00 - Электрический нагрев
  • Интерфейс: RS-485
  • Напряжение питания: 94…264(номинальное 120…230 В при частоте 47…63 Гц)

описание

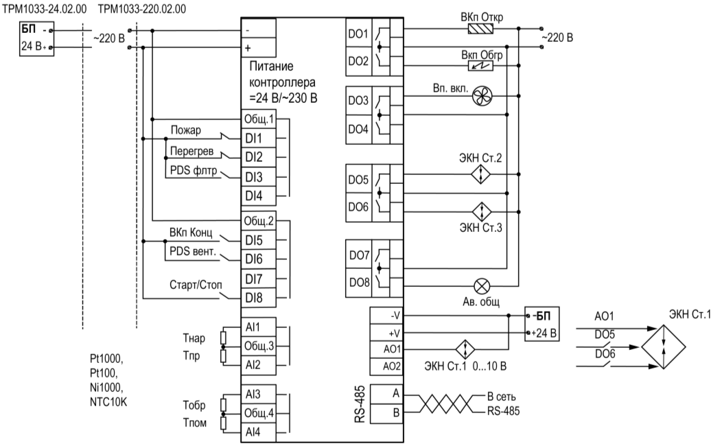
Модификация 02.00 - Электрический нагрев
ТРМ1033 – это специализированный контроллер с готовыми алгоритмами для автоматизации приточной и приточно-вытяжной вентиляции. Контроллер позволяет управлять стандартными узлами вентиляции для достижения максимально комфортной температуры приточного воздуха для помещений.
Для большинства модификаций не требуется использование модуля расширения ПРМ.
Модификации с резервным вентилятором ТРМ1033-хх.01.01 и ТРМ1033-хх.02.01 функционируют только при наличии ПРМ.
Для модификаций с рекуператором ТРМ1033-хх.31.00 и ТРМ1033-хх.32.00 приобретение ПРМ необходимо, если требуются следующие функции:

Контроль Открытия/Закрытия воздушных заслонок.
Контроль аварии рекуператора (сигнал с автомата защиты).
Управление ТЭН предварительного нагрева воздуха.