2ТРМ1-Д.У2.РР - измеритель-регулятор двухканальный

2ТРМ1-Д.У2.РР - измеритель-регулятор двухканальный

В наличии 6 шт.
Розничная цена 6832.8 руб
Способы оплаты:
Visa MasterCard Наличными при получении Безналичная оплата

Характеристики

  • Новинка: Нет
  • Акции: Нет
  • Вид изделия: Измеритель-регулятор двухканальный
  • Производитель: Овен
  • Артикул: 145141
  • Спецпредложение: Нет
  • Габаритные размеры: 72х90х58
  • Гистерезис: задается
  • Диапазон температур,°С: -30°C +50°C (окруж.среды)
  • Количество входов/выходов: вход 2У(универс.)/вых.2Р(эл/м реле)
  • Напряжение питания: 96…264В

описание

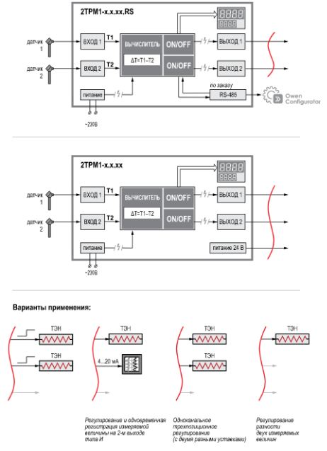
2ТРМ1 – двухканальный цифровой измеритель-регулятор, предназначенный для измерения, регистрации или автоматического регулирования температуры, а также других физических величин (давление, влажность, уровень, расход и т.д.). Отличительной особенностью прибора является наличие двух независимых каналов управления. Прибор осуществляет как независимое управление по двум каналам, так и совместную работу каналов в задачах регулирования и сигнализации. Наличие второго входа позволяет выполнять регулирование по двум величинам с вычислением среднего значения или разницы показаний входов. Двухканальный терморегулятор 2ТРМ1 работает с разными типами датчиков что позволяет одним прибором контролировать две физические величины, например температуру и давление, температуру и влажность, давление и уровень. Наличие RS-485 позволяет выводить все измеряемые и настраиваемые параметры прибора в сеть диспетчеризации предприятия.

2ТРМ1 зарегистрирован в Государственном реестре средств измерений России и выпускается с первичной поверкой (включена в стоимость). Также 2ТРМ1 имеет декларацию соответствия ЕАС и свидетельство о типовом одобрении РМРС.

Возможности регулятора
Измерение и регулирование физических величин по двум каналам:
по двухпозиционному закону;
одной измеряемой величины по трехпозиционному закону;
аналоговое П-регулирование;
погодозависимое регулирование.
Контроль обрыва связи с исполнительными механизмами.
Регистрация и управление исполнительными механизмами сигналами 4…20 мА или 0...10 В.
Сигнализация о выходе измеряемой величины за заданные пределы.
Регулирование по разности двух физических величин.
Ручной режим управления исполнительными механизмами.