КМУ1-230.ВДП.Р для управления пастеризаторами и сырными ваннами

КМУ1-230.ВДП.Р для управления пастеризаторами и сырными ваннами

Розничная цена 24705.6 руб
Способы оплаты:
Visa MasterCard Наличными при получении Безналичная оплата

Характеристики

  • Новинка: Нет
  • Акции: Нет
  • Вид изделия: Для управления пастеризаторами и сырными ваннами
  • Производитель: Овен
  • Артикул: 101302
  • Спецпредложение: Нет
  • Диапазон температур,°С: 0 ÷ +50
  • Тип исполнения: DIN-реечный
  • Алгоритм работы: с алгоритмом пастеризатора
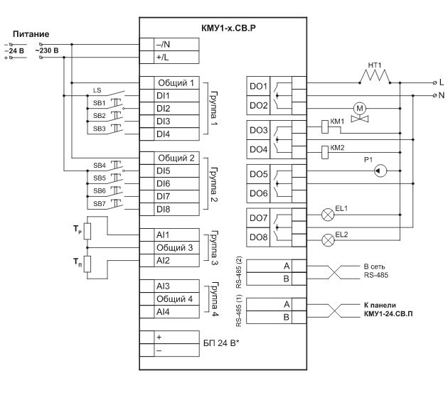
  • Аналоговые входы/выходы: Вход - 4
  • Количество дискретных входов/выходов: Вх.-8Д/Вых.8Р
  • Напряжение питания: 230 V AC

описание

КМУ1 – это набор автоматики, состоящий из контроллера и сенсорной панели оператора. Контроллер оснащен специализированным программным обеспечением, а панель оператора имеет визуализацию, подготовленную для работы с технологическим процессом пищевого производства. Оборудование применяется для автоматизации процессов пастеризации молока, вина, соков в ваннах длительной пастеризации (ВДП) от 30 до 400 литров, а также для управления сырными ваннами с электрическим нагревом.
Автоматическая пастеризация
Оператору не потребуется отслеживать момент выхода на температуру пастеризации и следить за ее поддержанием. КМУ1 в автоматическом режиме проведет шаги нагрева, выдержки и охлаждения продукта, а по окончанию процесса оповестит звуковым и световым сигналом. Это позволит снизить риски порчи продукта.
Контроль состояния системы
Комплект автоматики для пищевого производства следит за всеми узлами установки и при возникновении нештатной ситуации фиксирует ее с меткой времени, а также сигнализирует звуковым и световым сигналом. Это позволит технологу вовремя отреагировать на неисправность и устранить ее, избежав порчи продукта.
Готовый алгоритм
Автоматика уже имеет необходимое программное обеспечение и готовую визуализацию. Для ее запуска в работу достаточно настроить 10 параметров. Отсутствие необходимости в программировании, создании визуализации и документации позволит сэкономить не только время, но и деньги.
Интерфейс взаимодействия
Готовый интерфейс сенсорной панели разработан с идеологией максимальной информативности, соблюдая при этом минимализм. Его структура интуитивно понятна, что позволяет не затрачивать время на изучение документации.
Вариативность управления
КМУ1 имеет 4 варианта взаимодействия с оператором: через лицевую панель контроллера, сенсорную панель оператора, внешние кнопки и по сети RS-485. Каждый вариант управления используется по ситуации. Например, с грязными руками удобно будет взаимодействовать с КМУ1 через внешние кнопки, а при отсутствии возможности находится рядом с установкой управление можно осуществлять с мобильного телефона или ПК.
Таймер коагуляции с мультипликатором
Вспомогательная функция учета времени созревания сгустка поможет приготовить сыр нужной твердости в автоматическом режиме. Это позволяет технологу освободиться от необходимости следить за временем созревания сгустка. По окончании процесса ферментации контроллер оповестит технолога.
Алгоритм регулирования
Для исключения ситуаций порчи продукта из-за превышения допустимой температуры КМУ1 использует специализированный алгоритм регулирования, который позволит избежать отклонение температуры продукта больше чем на 1 °С. Настройка алгоритма не займет больше 1-ой минуты.
Архивация
Встроенные возможности бесплатного облачного сервиса OwenCloud позволяют хранить параметры регулятора последние 90 дней. Использование OwenCloud предполагает наличие шлюза линейки Пх210. Для местной архивации следует использовать МСД200.