СИ30-24.Щ2.Р - счетчик импульсов

СИ30-24.Щ2.Р - счетчик импульсов

В наличии 2 шт.
Розничная цена 10687.2 руб
Способы оплаты:
Visa MasterCard Наличными при получении Безналичная оплата

Характеристики

  • Сопутствующие товары: 39594 , 38543
  • Руководство:
  • Новинка: Нет
  • Акции: Нет
  • Вид изделия: Счетчик импульсов ОВЕН
  • Производитель: Овен
  • Артикул: 30292
  • Степень защиты: IP54
  • Спецпредложение: Нет
  • Встроенные доп. устройства: источник пит. =24В DC 100 мА max
  • Габаритные размеры: 96х48х100 мм
  • Тип выходного и входного устройства: Р - контакты электромагнитного реле 8А 220В
  • Тип исполнения: Щитовой Щ2
  • Мощность потребления не более: ВА/Вт: 10
  • Частотные характеристики: вх. фильтра 1...50000, вх. имп. не более 10000
  • Межповерочный интервал, лет: 2
  • Интерфейс: c ПК - RS-485
  • Диапазон: значения множителя 0,00001...99999
  • Напряжение контролируемого сигнала: низкого/высокого уровня на входе:0...4 / 10...30 В
  • Длительность задержки вкл/откл: импульса по.входу ≦50 мкс
  • Напряжение питания: 10,5...30 В (постоянного тока)
  • Протоколы передачи данных: ОВЕН; ModBus-RTU; ModBus-ASCII; USB
  • Разрешение экрана: 6 символов

описание

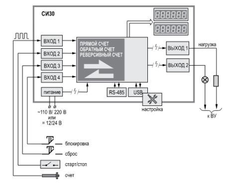
Счетчик импульсов ОВЕН СИ30 входит в состав новой линейки счетчиков импульсов, отличающейся повышенной устойчивостью к различным видам электромагнитных помех. Приборы данной линейки способны работать и при отрицательных температурах до -20 °С. Микропроцессорный счетчик импульсов СИ30. Используется для подсчета количества продукции на транспортере или жидкости, длины наматываемого кабеля или экструзионной пленки, сортировки продукции, суммарного количества изделий и т.п. Счетчик импульсов СИ30 рекомендуется использовать совместно с энкодерами. Основные функциональные возможности счетчика импульсов ОВЕН СИ30: Прямой, обратный или реверсивный счет импульсов, поступающих от подключенных к прибору датчиков. Определение направления вращательного движения узлов и механизмов. Перевод количества импульсов в реальные единицы измерения продукции. Выбор позиции десятичной точки. Коэффициент масштабирования. Четыре режима работы выходных устройств. Четыре дискретных входа для организации счета и реализации функций старт/стоп, блокировка, сброс. Универсальные входы, позволяющие работать с датчиками PNP/NPN-типа, сухим контактом, датчиками высокого и низкого уровня, энкодерами. Встроенный источник питания датчиков - 24В с максимальным током нагрузки не более 100 мА. Управление нагрузкой с помощью двух выходных устройств. Сохранение результатов счета при отключении питания. Встроенный модуль интерфейса RS-485 и USB-порт для подключения к ПК. Поддержка распространенных протоколов Modbus (ASCII, RTU), ОВЕН. Автоматическое определение протокола связи. Программирование счетчика с ПК или кнопок на лицевой панели прибора. Улучшенная помехоустойчивость. Полное соответствие требованиям ГОСТ Р 51522 (МЭК 61326) по электромагнитной совместимости для оборудования класса А с критерием качества.
Скважность импульса, не менее 2

Сопутствующие товары