ПЛК160-24.У-М- контроллер логический программируемый

ПЛК160-24.У-М- контроллер логический программируемый

Розничная цена 66003.6 руб
Способы оплаты:
Visa MasterCard Наличными при получении Безналичная оплата

Характеристики

  • Сопутствующие товары: 43488 , 40643 , 43487 , 40642
  • Руководство:
  • Новинка: Нет
  • Акции: Нет
  • Вид изделия: ПЛК 160
  • Исполнение: система - M - Без ограничения
  • Производитель: Овен
  • Артикул: 80933
  • Степень защиты: IP20
  • Спецпредложение: Нет
  • Габаритные размеры: 208х110х73
  • Потребляемая мощность не более, Вт: Не более 40 ВА
  • Объем памяти: оператив-8Мб,размер Retain-16кб,энергозавис-4 Мб
  • Частотные характеристики: RISC. ядро ARM-9, 32 разряда, 180 МГц
  • Интерфейс: RS-485,RS-232-Debug,Ethernet 100Base-T,USB-Device
  • Индикатор: Индикация питания 1, работы 1, связь1
  • Аккумулятор питания: LIR2477
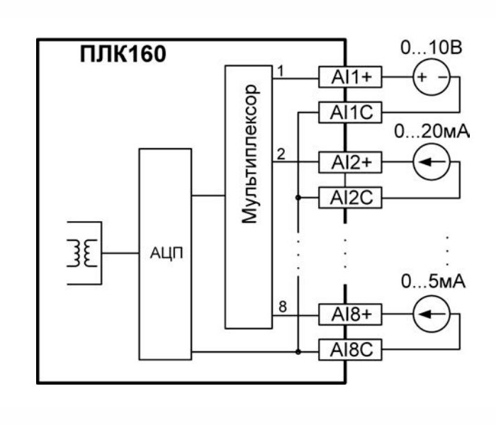
  • Аналоговые входы/выходы: Входы 8 U/I/ Выхода 4U
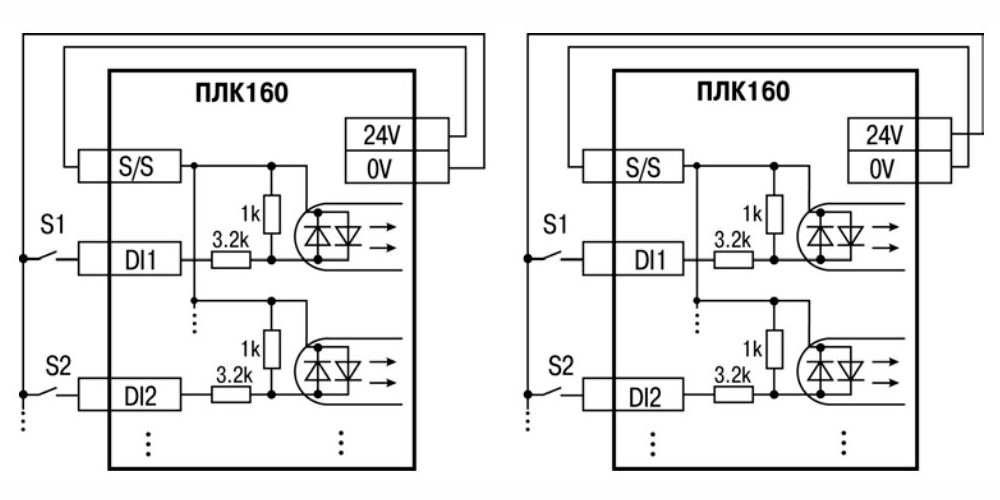
  • Количество дискретных входов/выходов: Вх.-16(4быстродейст.)/Вых.12Р
  • Напряжение питания: 24 - 20...29 В постоянного тока (номинальное 24В)

описание

ОВЕН ПЛК160 – линейка программируемых моноблочных контроллеров с дискретными и аналоговыми входами/выходами на борту для автоматизации средних систем. Оптимальны для построения систем автоматизации среднего уровня и распределенных систем управления. Рекомендуется к использованию: В системах HVAC. В сфере ЖКХ (ИТП, ЦТП). В АСУ водоканалов (водоподготовка, насосные станции). Для управления пищеперерабатывающими и упаковочными аппаратами. Для управления климатическим оборудованием. В сфере производства строительных материалов. Отличительные особенности линейки: Мощные вычислительные ресурсы и большой объем памяти. Наличие дискретных и аналоговых входов/выходов на борту контроллера. Наличие последовательных портов (RS-232, RS-485) на борту контроллера. Наличие порта Ethernet для включения в локальные или глобальные сети верхнего уровня. Поддержка протоколов обмена Modbus (RTU, ASCII), ОВЕН, DCON. Возможность работы напрямую с портами контроллера, что позволяет подключать внешние устройства с нестандартными протоколами. Контроллер имеет встроенные часы, что позволяет создавать системы управления с учетом реального времени. Встроенный аккумулятор, позволяющий организовать ряд дополнительных сервисных функций: возможность кратковременного пережидания пропадания питания, перевод выходных элементов в безопасное состояние. Аналоговые выходы могут быть: По току 4...20 мА. По напряжению 0...10 В. Универсальные - программно переключаемые ток\напряжение. Все контроллеры данной линейки имеют большое количество интерфейсов на борту, работающих независимо друг от друга: Ethernet; До трех последовательных портов; USB Device для программирования контроллера. Контроллеры данной линейки также поддерживают работу с нестандартными протоколами по любому из портов, что позволяет подключать такие устройства, как электро-, газо-, водосчетчики, считыватели штрих-кодов и т.п. Программирование контроллеров осуществляется в профессиональной, распространенной среде CODESYS v.2.3.x, максимально соответствующей стандарту МЭК 61131: поддержка 5 языков программирования, для специалистов любой отрасли; мощное средство разработки и отладки комплексных проектов автоматизации на базе контроллеров; функции документирования проектов; количество логических операций ограничивается только количеством свободной памяти контроллера; практически неограниченное количество используемых в проекте счетчиков, триггеров, генераторов. Интерфейсы для программирования и отладки: Ethernet, USB, RS-232 (Debug).

Сопутствующие товары

ПМ01-24.В [М02] - GSM/GPRS модем
под заказ
ПМ01-220.В [М02] - GSM/GPRS модем
под заказ
ПМ01-24.АВ - GSM/GPRS модем
под заказ
ПМ01-220.АВ - GSM/GPRS модем
под заказ