- Главная
-
Каталог
-
ОВЕН
-
Программируемые устройства
-
Программируемые логические контроллеры
-
Моноблочные контроллеры с дискретными и аналоговыми входами/выходами ПЛК110[М02] / ПЛК110 / ПЛК160
- ПЛК110-24.60.К-М - контроллер логический программируемый
ПЛК110-24.60.К-М - контроллер логический программируемый
ПЛК110-24.60.К-М - контроллер логический программируемый
Розничная цена
59354.4 руб
Способы оплаты:
Visa
MasterCard
Наличными при получении
Безналичная оплата
Характеристики
- Сопутствующие товары:
43890 , 43891 , 43420 , 40394
- Руководство:
- Новинка:
Нет
- Акции:
Нет
- Вид изделия:
ПЛК 110
- Исполнение:
система - M - Ограничение до 100 кБайт
- Производитель:
Овен
- Артикул:
54219
- Спецпредложение:
Нет
- Габаритные размеры:
114х208,5х75 (83max)
- Диапазон температур,°С:
–40 ÷ +55
- Потребляемая мощность не более, Вт:
31 Вт
- Объем памяти:
ОЗУ-128 кБайт+3 МБ (размер heap варьируется)
- Частотные характеристики:
частота процессора - 400 МГц
- Интерфейс:
Ethernet 100 Base-T,RS-232,RS-232-DEBUG.RS-485-2
- Аккумулятор питания:
Для часов- CR2032/для Retain-MRAM
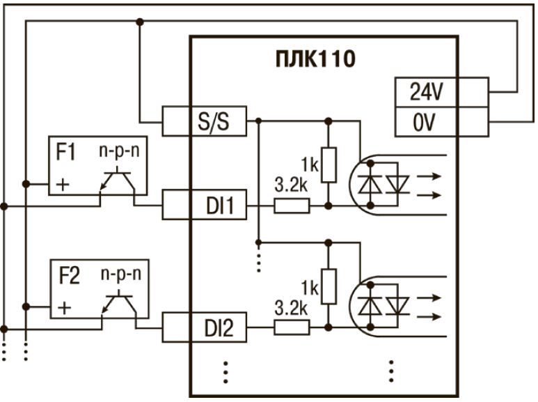
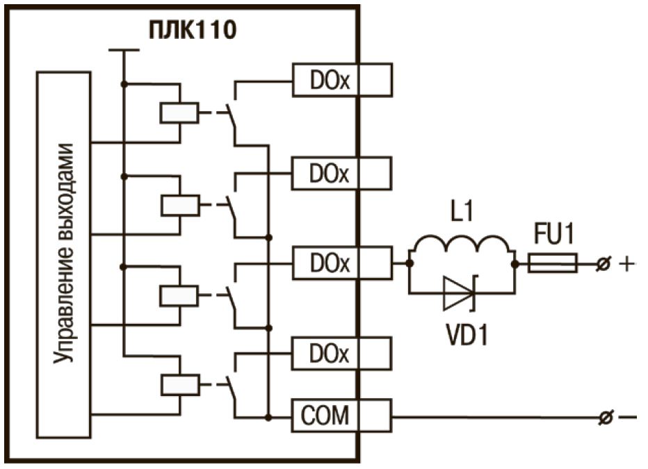
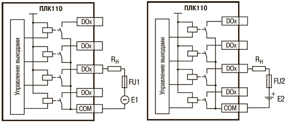
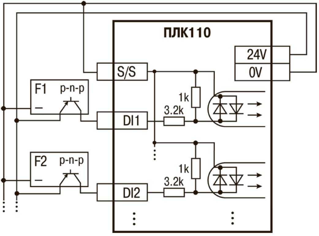
- Количество дискретных входов/выходов:
Вх.-36(4быстр.100кГц.)/Вых.24(4до100кГц)транз.вых.
- Напряжение питания:
24 - 20...29 В постоянного тока (номинальное 24В)
описание
ОВЕН ПЛК110[М02] – линейка программируемых моноблочных контроллеров с дискретными входами/выходами на борту для автоматизации средних систем. Оптимальны для построения систем автоматизации среднего уровня и распределенных систем управления. Изделие предназначено для построения распределенных систем управления и диспетчеризации с использованием как проводных, так и беспроводных технологий: В системах HVAC. В сфере ЖКХ (ИТП, ЦТП). АСУ водоканалов линии по дерево- и металлообработке (распил, намотка и т.д.). Для управления пищеперерабатывающими и упаковочными аппаратами. Для управления климатическим оборудованием. Для автоматизации торгового оборудования. В сфере производства строительных материалов. Для управления малыми станками и механизмами. Преимущества ОВЕН ПЛК110[М02]: Наличие встроенных дискретных входов/выходов на борту. Скоростные входы для обработки энкодеров. Ведение архива работы оборудования или работа по заранее оговоренным сценариям при подключении к контроллеру USB-накопителей. Простое и удобное программирование в системе CODESYS v.2 через порты USB Device, Ethernet, RS-232 Debug. Передача данных на верхний уровень через Ethernet или GSM-сети (GPRS). 4 последовательных порта (RS-232, RS-485) для: увеличения количества входов-выходов; управления частотными преобразователями; подключения панелей операторов, GSM-модемов, считывателей штрих-кодов и т.д. Наличие двух исполнений по питанию (220 В и 24 В). Отличия обновленной линейки ПЛК110-24.30.Р-М[М02]: Увеличена скорость опроса быстрых дискретных входов (до 100 кГц). Интерфейсы RS-232 прибора позволяют осуществлять питание подключённых устройств. Ведение архива/хранение рецептов на USB-носителе. Количество энкодеров 1 ABZ или 2 АВ , точек ввода/ вывода-60. Расширенный температурный диапазон: от -40 до +55 °С.
Ведение архивов - До 8 ГБ на USB Flash
ПЛК110-24.60.К-М - контроллер логический программируемый :
заказ осуществляется по предоплате
Сопутствующие товары
В наличии 2 шт.
под заказ
под заказ
под заказ