ПЛК110-220.32.К-М- контроллер логический программируемый

ПЛК110-220.32.К-М- контроллер логический программируемый

Розничная цена 48252 руб
Способы оплаты:
Visa MasterCard Наличными при получении Безналичная оплата

Характеристики

  • Сопутствующие товары: 43890 , 43891 , 43420 , 40394
  • Руководство:
  • Новинка: Нет
  • Акции: Нет
  • Вид изделия: ПЛК 110
  • Исполнение: система - M - Ограничение до 100 кБайт
  • Производитель: Овен
  • Артикул: 54228
  • Спецпредложение: Нет
  • Габаритные размеры: 114х140х75 (83max)
  • Диапазон температур,°С: –40 ÷ +55
  • Потребляемая мощность не более, Вт: 45 ВА
  • Объем памяти: ОЗУ-128 кБайт+3 МБ (размер heap варьируется)
  • Частотные характеристики: частота процессора - 400 МГц
  • Интерфейс: Ethernet 100 Base-T,RS-232,RS-232-DEBUG.RS-485
  • Аккумулятор питания: Для часов- CR2032/для Retain-MRAM
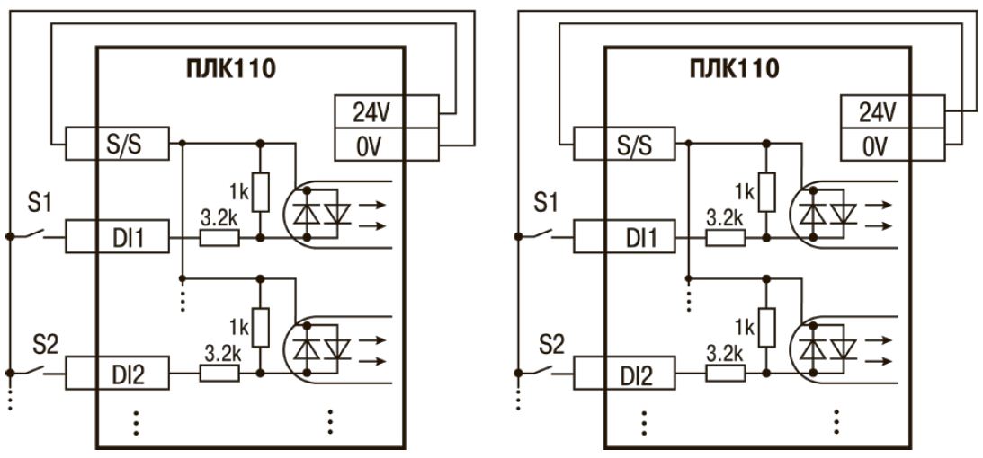
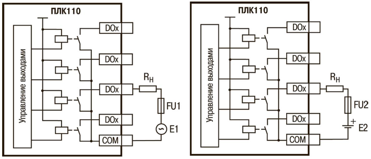
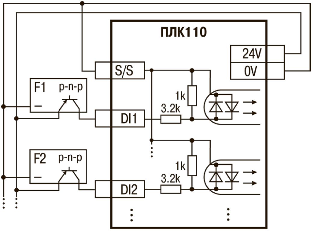
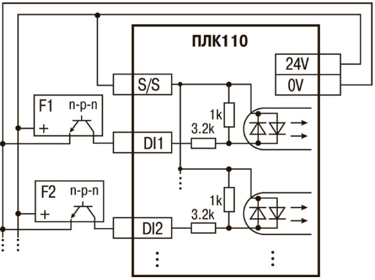
  • Количество дискретных входов/выходов: Вх.-18(2быстр.100кГц)/Вых.14(4до100кГц)транз.вых.
  • Напряжение питания: 220 - 90...264 AC или 110...230 DC

описание

ОВЕН ПЛК110[М02] – линейка программируемых моноблочных контроллеров с дискретными входами/выходами на борту для автоматизации средних систем. Оптимальны для построения систем автоматизации среднего уровня и распределенных систем управления. Изделие предназначено для построения распределенных систем управления и диспетчеризации с использованием как проводных, так и беспроводных технологий: В системах HVAC. В сфере ЖКХ (ИТП, ЦТП). АСУ водоканалов линии по дерево- и металлообработке (распил, намотка и т.д.). Для управления пищеперерабатывающими и упаковочными аппаратами. Для управления климатическим оборудованием. Для автоматизации торгового оборудования. В сфере производства строительных материалов. Для управления малыми станками и механизмами. Преимущества ОВЕН ПЛК110[М02]: Наличие встроенных дискретных входов/выходов на борту. Скоростные входы для обработки энкодеров. Ведение архива работы оборудования или работа по заранее оговоренным сценариям при подключении к контроллеру USB-накопителей. Простое и удобное программирование в системе CODESYS v.2 через порты USB Device, Ethernet, RS-232 Debug. Передача данных на верхний уровень через Ethernet или GSM-сети (GPRS). 4 последовательных порта (RS-232, RS-485) для: увеличения количества входов-выходов; управления частотными преобразователями; подключения панелей операторов, GSM-модемов, считывателей штрих-кодов и т.д. Наличие двух исполнений по питанию (220 В и 24 В). Отличия обновленной линейки ПЛК110-24.30.Р-М[М02]: Увеличена скорость опроса быстрых дискретных входов (до 100 кГц). Интерфейсы RS-232 прибора позволяют осуществлять питание подключённых устройств. Ведение архива/хранение рецептов на USB-носителе. Расширенный температурный диапазон: от -40 до +55 °С
Количество энкодеров - 1 АВ,точек ввода/ вывода-32  Расширенный температурный диапазон: от -40 до +55 °С.
Работа по беспроводным сетям - SMS, CSD, GPRS
EmbOS Segger - ОС реального времени
Ведение архивов - До 8 ГБ  на USB Flash

Сопутствующие товары